उत्पादों
परिशुद्धता एनसी मशीनिंग
  • परिशुद्धता एनसी मशीनिंगपरिशुद्धता एनसी मशीनिंग
  • परिशुद्धता एनसी मशीनिंगपरिशुद्धता एनसी मशीनिंग
  • परिशुद्धता एनसी मशीनिंगपरिशुद्धता एनसी मशीनिंग
  • परिशुद्धता एनसी मशीनिंगपरिशुद्धता एनसी मशीनिंग

परिशुद्धता एनसी मशीनिंग

सैनलुओ प्रिसिजन चीन में प्रिसिजन एनसी मशीनिंग का एक पेशेवर निर्माता और आपूर्तिकर्ता है। इसका मुख्य उद्देश्य सटीक एनसी मशीनिंग तकनीक पर शोध करना और उसे लागू करना है। यह सटीक घटक विनिर्माण उद्योग में अग्रणी है और ग्राहकों के लिए पेशेवर अनुकूलित एनसी मशीनिंग सेवाएं प्रदान करता है, जो जटिल और कठिन भागों के अनुकूलन का समर्थन करता है। कंपनी की सटीक प्रसंस्करण उपकरण, प्रक्रियाओं, पर्यावरण, कर्मियों आदि की गारंटी के बिना हासिल नहीं की जा सकती है। इसने हमेशा उच्चतम सटीकता का पीछा किया है और उच्च-स्तरीय उपकरण निर्माण के लिए मुख्य घटक प्रदान करता है।

परिशुद्धता प्रसंस्करण प्रौद्योगिकी प्रणाली

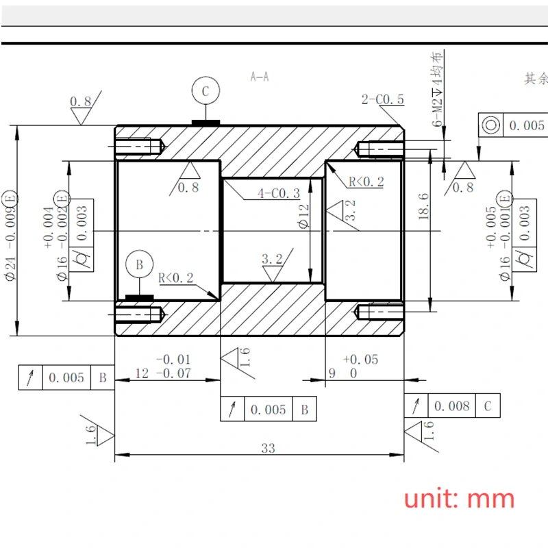
सैनलुओ प्रिसिजन फैक्ट्री में एक अच्छी तरह से विकसित प्रिसिजन एनसी मशीनिंग प्रौद्योगिकी प्रणाली है। टर्निंग सटीकता IT6 है, गोलाई 0.002 मिमी है, और समाक्षीयता 0.005 मिमी है। मिलिंग सटीकता IT7 स्तर है, समतलता 0.01 मिमी है, और स्थितिगत सटीकता 0.015 मिमी है। पीसने की सटीकता IT5 स्तर है, बेलनाकारता 0.001 मिमी है, और सतह खुरदरापन Ra0.2μm है। सटीक मोड़, सटीक मिलिंग, सटीक पीसने और सटीक बोरिंग प्रक्रियाओं के संयोजन के माध्यम से, माइक्रो-मीट्रिक प्रसंस्करण सटीकता प्राप्त की जाती है। तापमान नियंत्रण पर्यावरण गारंटी के संदर्भ में, एक निरंतर तापमान कार्यशाला है, जिसमें तापमान 20±0.5℃ पर नियंत्रित होता है और आर्द्रता 50±5%RH पर नियंत्रित होती है। बाहरी कंपन को कम करने के लिए मशीन टूल्स की नींव को कंपन अलगाव के साथ इलाज किया जाता है। वर्कपीस और टूल्स को संसाधित करने से पहले, तापमान अंतर के प्रभाव को खत्म करने के लिए उन्हें एक स्थिर तापमान पर पूर्व-सेट किया जाता है। इस प्रकार, सटीक प्रसंस्करण सटीकता पर्यावरण से प्रभावित नहीं होती है, और बैच उत्पादन भी सुसंगत होता है।


कार्य केंद्र सटीकता

आयामी सटीकता

एल(एक्स)

डब्ल्यू(वाई)

एच(जेड)

दप

इकाई:±/मिमी

0.005

0.002

0.001

0.005

0.005

ज्यामितीय सटीकता

समतलता

समानता

खड़ापन

बेअदबी

समरूपता

इकाई:±/मिमी

0.002

0.003

0.005

रा0.8

0.005

उत्पादन क्षमता

1~999999 पीसी

1~999999 पीसी

1~999999 पीसी

1~999999 पीसी

1~999999 पीसी

उत्पादन चक्र

3-20 दिन

3-20 दिन

3-20 दिन

3-20 दिन

3-20 दिन


त्रुटि क्षतिपूर्ति प्रौद्योगिकी

एक पेशेवर परिशुद्धता सीएनसी मशीनिंग निर्माता के रूप में, सानलुओ प्रिसिजन कंपनी परिशुद्धता एनसी मशीनिंग में ऑनलाइन माप तकनीक को अपनाती है। मशीन टूल्स लेजर जांच और ट्रिगर जांच से सुसज्जित हैं। मशीनिंग प्रक्रिया के दौरान, वर्कपीस के आयामों को वास्तविक समय में मापा जा सकता है, और माप परिणामों के आधार पर उपकरण पहनने और थर्मल विरूपण के लिए मुआवजा स्वचालित रूप से किया जा सकता है। कंपनी ने कई त्रुटि क्षतिपूर्ति तकनीकों में महारत हासिल कर ली है। मशीन टूल ज्यामितीय त्रुटियों के मुआवजे के माध्यम से, गाइड रेल की सीधीता और स्पिंडल के कंपन जैसी व्यवस्थित त्रुटियां समाप्त हो जाती हैं। थर्मल त्रुटि क्षतिपूर्ति को अपनाया जाता है, और तापमान सेंसर से डेटा का उपयोग करके वास्तविक समय में थर्मल विरूपण को ठीक किया जाता है। कंपनी ने ऑप्टिक्स, मेडिसिन और मेट्रोलॉजी जैसे सटीक उद्योगों के लिए 99.5% से ऊपर की सटीकता योग्यता दर के साथ हजारों अनुकूलित एनसी मशीनिंग सेवाएं प्रदान की हैं।


उपकरण तकनीकी पैरामीटर

पैरामीटर श्रेणियाँ

पैरामीटर विवरण

डिवाइस मॉडल

JDSGT400 लीनियर मोटर चालित तीन-अक्ष हाई-स्पीड मशीनिंग केंद्र

कोर पोजिशनिंग

उप-माइक्रोन अल्ट्रा-उच्च परिशुद्धता प्रसंस्करण के लिए डिज़ाइन किया गया, सटीक चिकित्सा घटकों के लिए उपयुक्त

ड्राइव सिस्टम

सभी तीन अक्ष दोहरी रैखिक मोटरों द्वारा संचालित होते हैं

मुख्य सटीकता

पुनरावृत्ति स्थिति सटीकता: 0.8 µm; 100 मिमी सीमा के भीतर छेद स्थिति सटीकता <1 µm

कोर प्रौद्योगिकी

सटीक मशीनिंग और उच्च परिशुद्धता सर्वो ड्राइव प्रणाली के लिए प्रत्यक्ष ड्राइव, तापमान नियंत्रण और स्व-विकसित JD60 सीएनसी प्रणाली सुविधाओं को एकीकृत करता है

मुख्य लाभ

अत्यधिक उच्च परिशुद्धता और स्थिरता के साथ "सतह कार्यात्मक सतह है" के उत्कृष्ट परिणाम प्राप्त करने का प्रयास करता है

विशिष्ट अनुप्रयोग

आयामों और सतह की गुणवत्ता के लिए सख्त आवश्यकताओं के साथ सटीक एनसी मशीनिंग क्षेत्रों जैसे सटीक ऑप्टिकल मोल्ड, अर्धचालक भागों और उच्च परिशुद्धता संरचनात्मक घटकों में उपयोग किया जाता है।


पैरामीटर श्रेणियाँ

पैरामीटर विवरण

उपकरण मॉडल

जेनोस एल2000-ई (एमएक्स380)

कोर पोजिशनिंग

उच्च कठोरता मोड़ और मिलिंग संयुक्त प्रसंस्करण

अक्षों की संख्या

तीन अक्ष (सी-अक्ष के साथ)

संसाधन क्षमता

अधिकतम मशीनिंग व्यास: Φ200 मिमी, अधिकतम वर्कपीस लंबाई: 380 मिमी

मुख्य अक्ष प्रणाली

स्पिंडल स्पीड: 5,000 आरपीएम, मुख्य मोटर पावर: 15/11 किलोवाट

टूल टावर सिस्टम

V12 VDI टूल बुर्ज, 12 स्टेशन

मोशन प्रदर्शन

एक्स/जेड अक्ष तीव्र गति: 25/30 मीटर/मिनट

पॉवर उपकरण

एम अक्ष मोटर स्पिंडल गति: 6,000 आरपीएम

संख्यात्मक नियंत्रण प्रणाली

OSP-P300LA-e

मुख्य लाभ

उच्च स्थिति सटीकता और स्थिरता सुनिश्चित करने के लिए, चाकू टॉवर एनसी सर्वो टूल चेंजिंग सिस्टम के साथ संयुक्त तीन-टुकड़े क्लच को नियोजित करता है।

विशिष्ट अनुप्रयोग

परिशुद्धता, परिशुद्धता एनसी मशीनिंग, घटक, आदि।


Precision NC MachiningPrecision NC Machining

Precision NC MachiningPrecision NC Machining


हॉट टैग: परिशुद्धता एनसी मशीनिंग, चीन, निर्माता, आपूर्तिकर्ता, फैक्टरी
जांच भेजें
संपर्क सूचना
  • पता

    गुआंगमिंग जिला, शेन्ज़ेन शहर, गुआंग्डोंग प्रांत, चीन

  • टेलीफोन

    +86-18665825654

  • ईमेल

    sales@sanluocnc.com

हमारे उत्पादों या मूल्य सूची के बारे में पूछताछ के लिए, कृपया अपना ईमेल हमारे पास छोड़ें और हम 24 घंटों के भीतर आपसे संपर्क करेंगे।
X
हम आपको बेहतर ब्राउज़िंग अनुभव प्रदान करने, साइट ट्रैफ़िक का विश्लेषण करने और सामग्री को वैयक्तिकृत करने के लिए कुकीज़ का उपयोग करते हैं। इस साइट का उपयोग करके, आप कुकीज़ के हमारे उपयोग से सहमत हैं। गोपनीयता नीति
अस्वीकार करना स्वीकार करना